Установление пластиковых окон способствует герметичной изоляции помещения от проникновения звуков и создает максимальную степень теплоизоляции. В результате этого полностью нарушается поступление наружного воздуха из щелей, что в свою очередь приводит к понижению содержания кислорода в воздухе и увеличению количества микробов и бактерий. Влажность помещения значительно увеличивается, а традиционная вентиляция с помощью проветривания зачастую становится малоэффективной.
Вытяжные и приточные вентиляторы способны повлиять на ситуацию, но вместе с тем увеличится и расход электроэнергии, затрачиваемый на обогрев воздуха. На сегодняшний день одной из самых популярных систем вентиляции становится рекуперация.
Теплообменники некоторых рекуператоров изготавливаются из меди. Такие приборы можно использовать в сырых помещениях для их просушивания. Причины возникновения влаги могут быть разные. Если в период осень-зима по вашим окнам каплями стекает конденсат, значит, влага остаётся в помещении. Другой причиной может быть плохая гидроизоляция крыши, фундамента или стен. В таком случае рекуперация просто необходима.
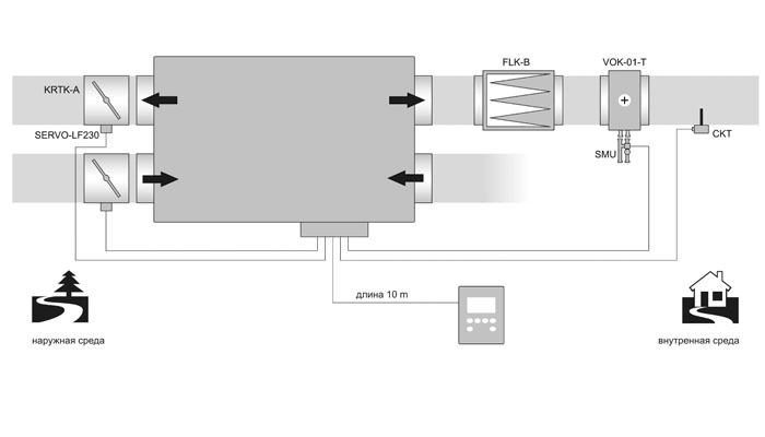
Принцип работы рекуператора основан на отдаче тепла выходящего воздуха из помещения входящему с улицы. Количество сберегаемого тепла во многих видах рекуператоров достигает 78%. Это тепло теряется в результате обычного вентилирования. Отсутствие внутренних фильтров гарантирует подачу высококачественного свежего воздуха с сохранением его энергетических и биологических свойств. В летнее время можно сохранить прохладу, подаваемую кондиционером, поменяв его на маломощный.
Во время использования герметичных пластиковых окон многие столкнулись с проблемами дыхательных путей. В помещениях, в которых повышается влажность, заводится плесень и всевозможные грибки. Проживание в таких условиях очень вредно для здоровья и может закончиться печально. В результате использования системы рекуперации расход энергии значительно уменьшается, а в результате вы получаете сухие стены, отсутствие грибковой плесени и здоровый микроклимат в помещении.
При выборе рекуператора остерегайтесь низкопробных подделок. Они не приспособлены выдерживать простейших эксплуатационных нагрузок даже при нормальных климатических условиях. Безопаснее всего прибрести аппарат на заводе-изготовителе, где при производстве рекуператора используются современные технологии и применяются знания в области физиологии дыхания.
