Характеристики:
Питание — 9–12 вольт.
Дискриминация – есть, отличает мелкие железные предметы от предметов из цветного металла и железных предметов с большой площадью поверхности.
Регулировка чувствительности.
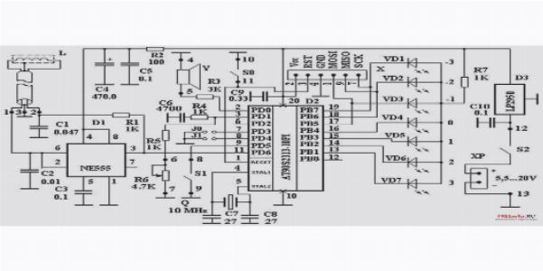
Металлоискатель микроконтроллерный, самодельный.
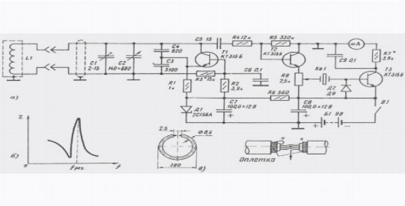
Самодельный металлоискатель бабочка.
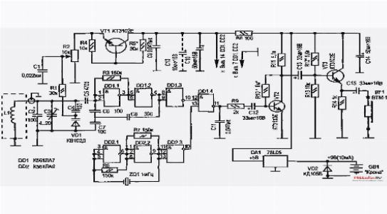
Металлоискатель самостоятельно.
В нашем разделе вы сможете увидеть все о цветной металлургии.









В рубрике нашего сайта мы хотим показать наиболее распространенные видео о том, какие виды цветных металлов есть на сегодня.
